关于曲面吊顶用什么龙骨和工艺和节点图的做法分享,
其实图集《12J502-2 内装修-室内吊顶》有详细的图解,分享给各位,需要的朋友,自行下载

两种思路。第一种:用38卡落地,图片和图纸如下:






第2种,直接用大吊龙骨来折弯或者直线拼接


还有更多的做法,我把图集贴出来了,需要的朋友,可以自取。
“一个人只能走的更快,一群人才能走的更远”
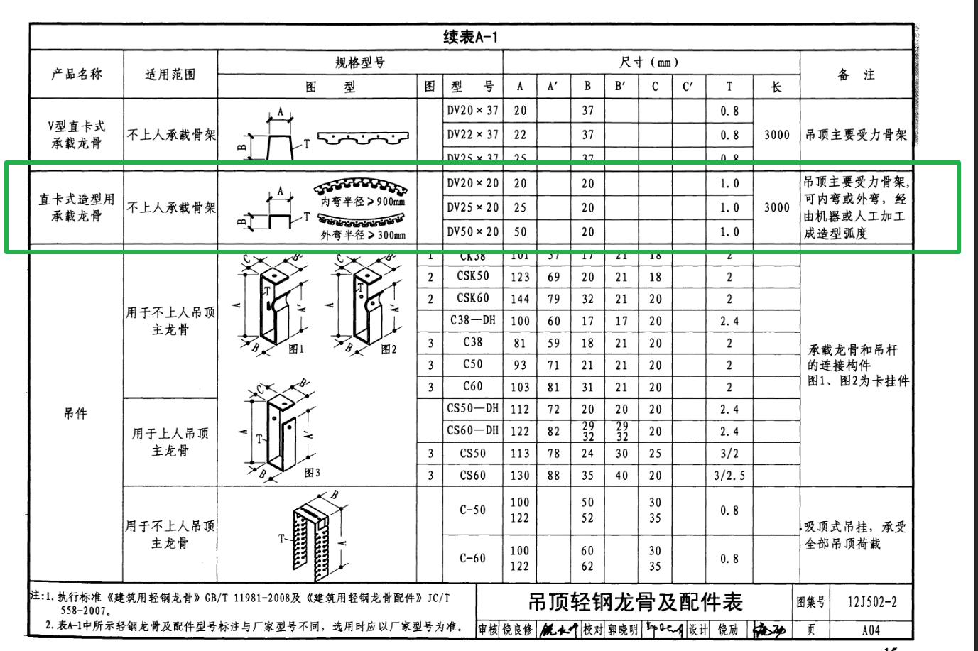
关于曲面吊顶用什么龙骨和工艺和节点图的做法分享,
其实图集《12J502-2 内装修-室内吊顶》有详细的图解,分享给各位,需要的朋友,自行下载

两种思路。第一种:用38卡落地,图片和图纸如下:






第2种,直接用大吊龙骨来折弯或者直线拼接


还有更多的做法,我把图集贴出来了,需要的朋友,可以自取。
“一个人只能走的更快,一群人才能走的更远”
12J502-2 内装修-室内吊顶.pdf
立即下载
游客