设计课程
训练营
设计文章
设计工具
图纸代画
社区
更多
设计文章
其他图文
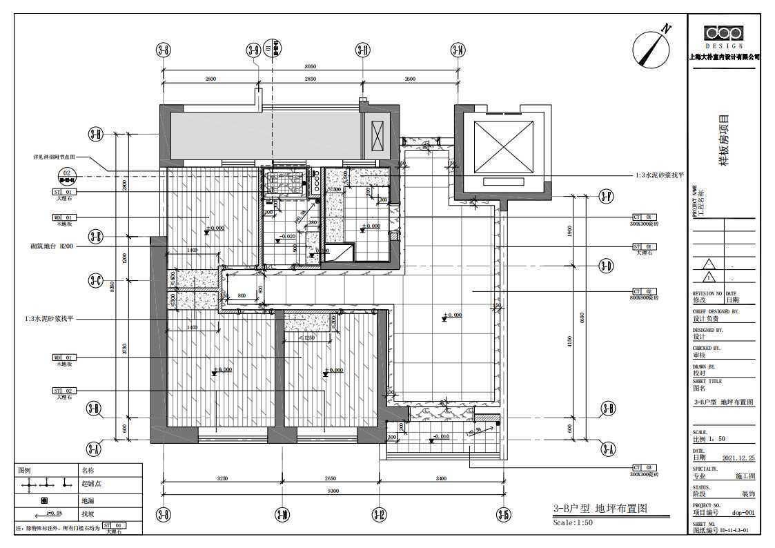
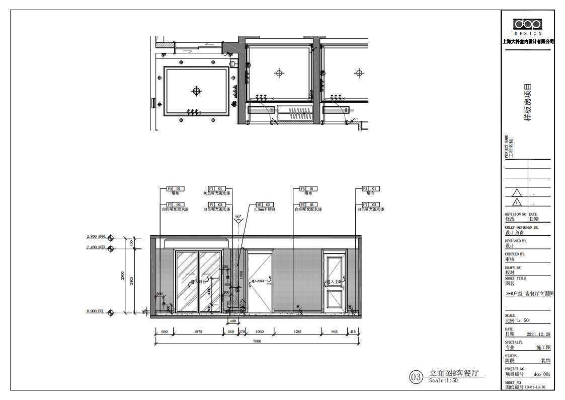
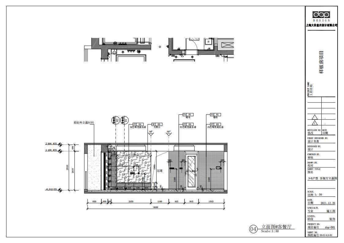
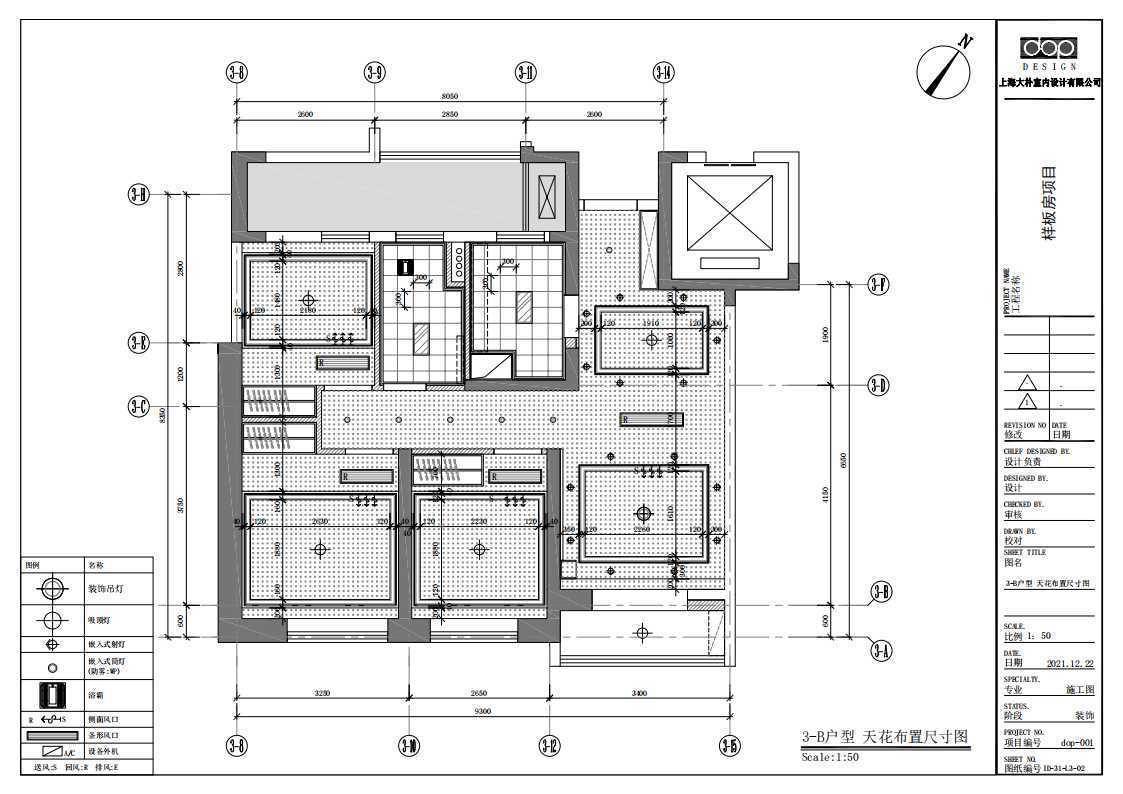
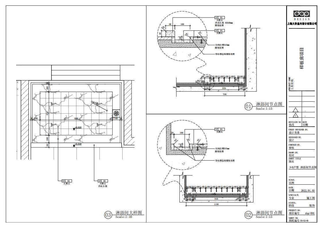
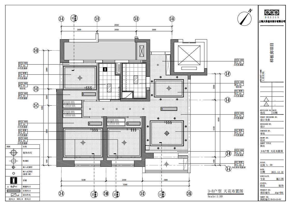
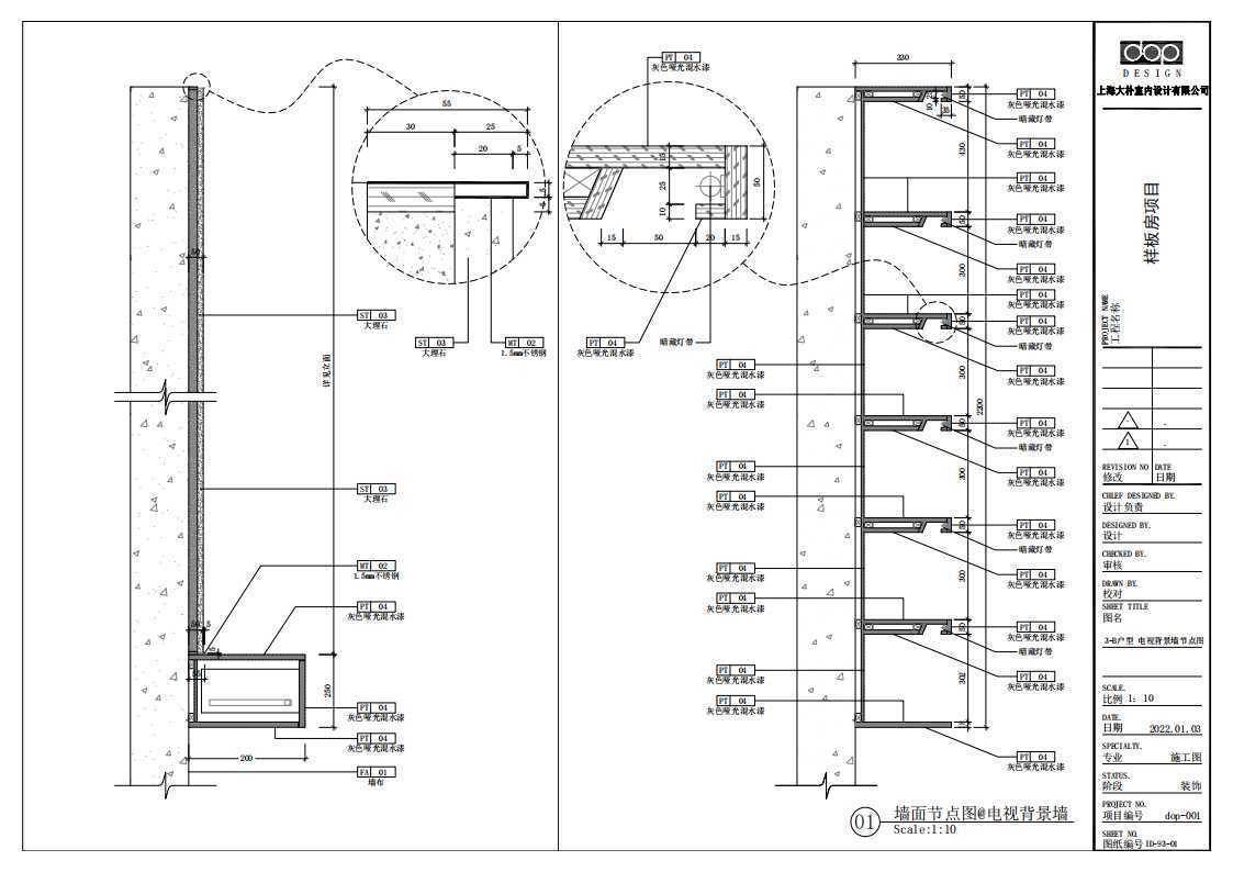
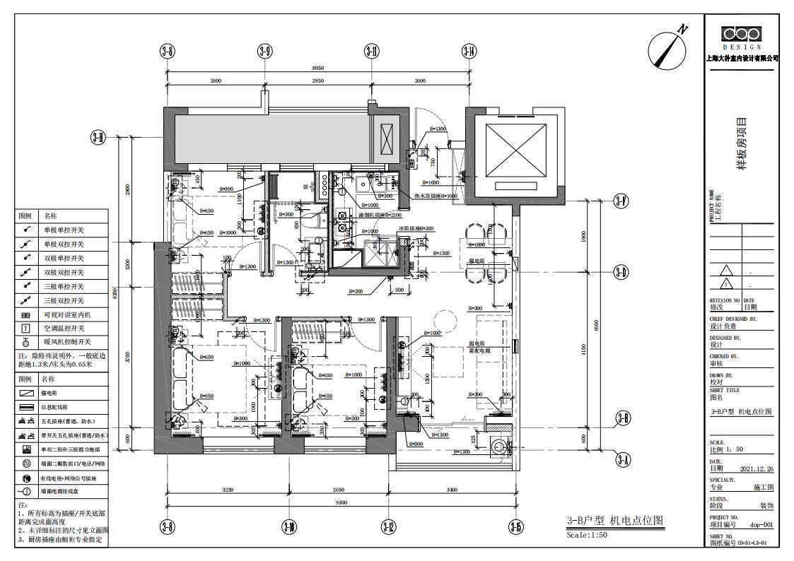
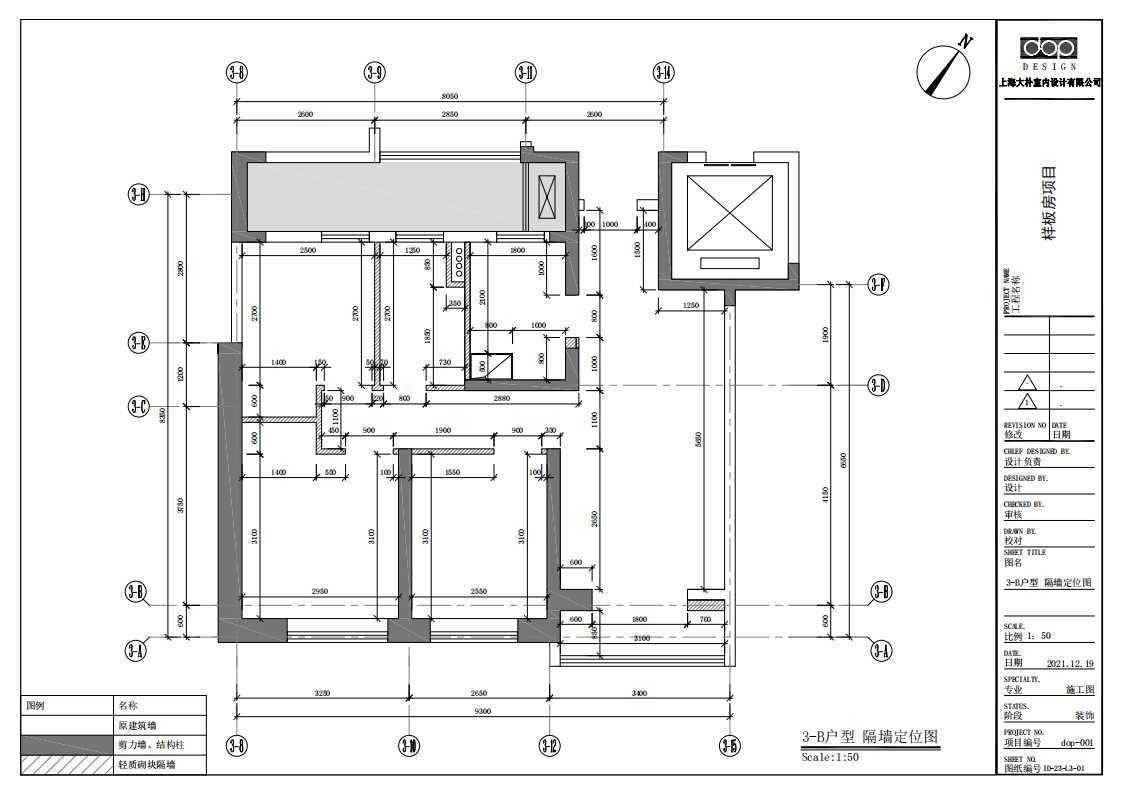
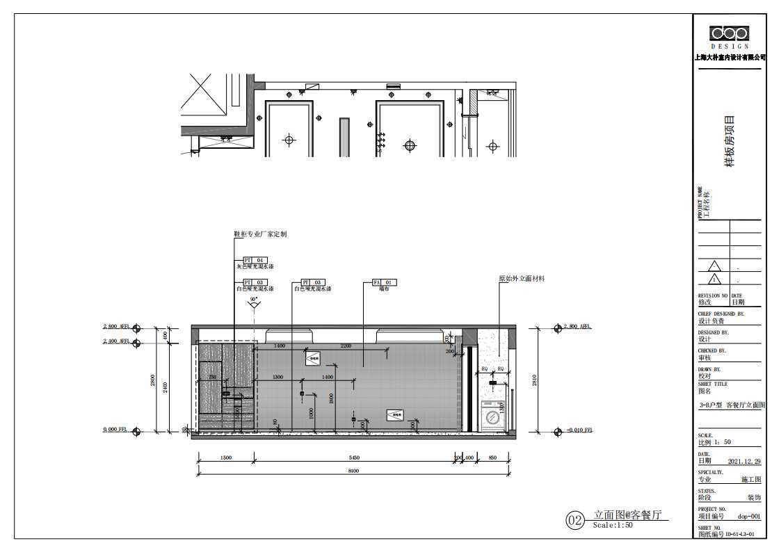
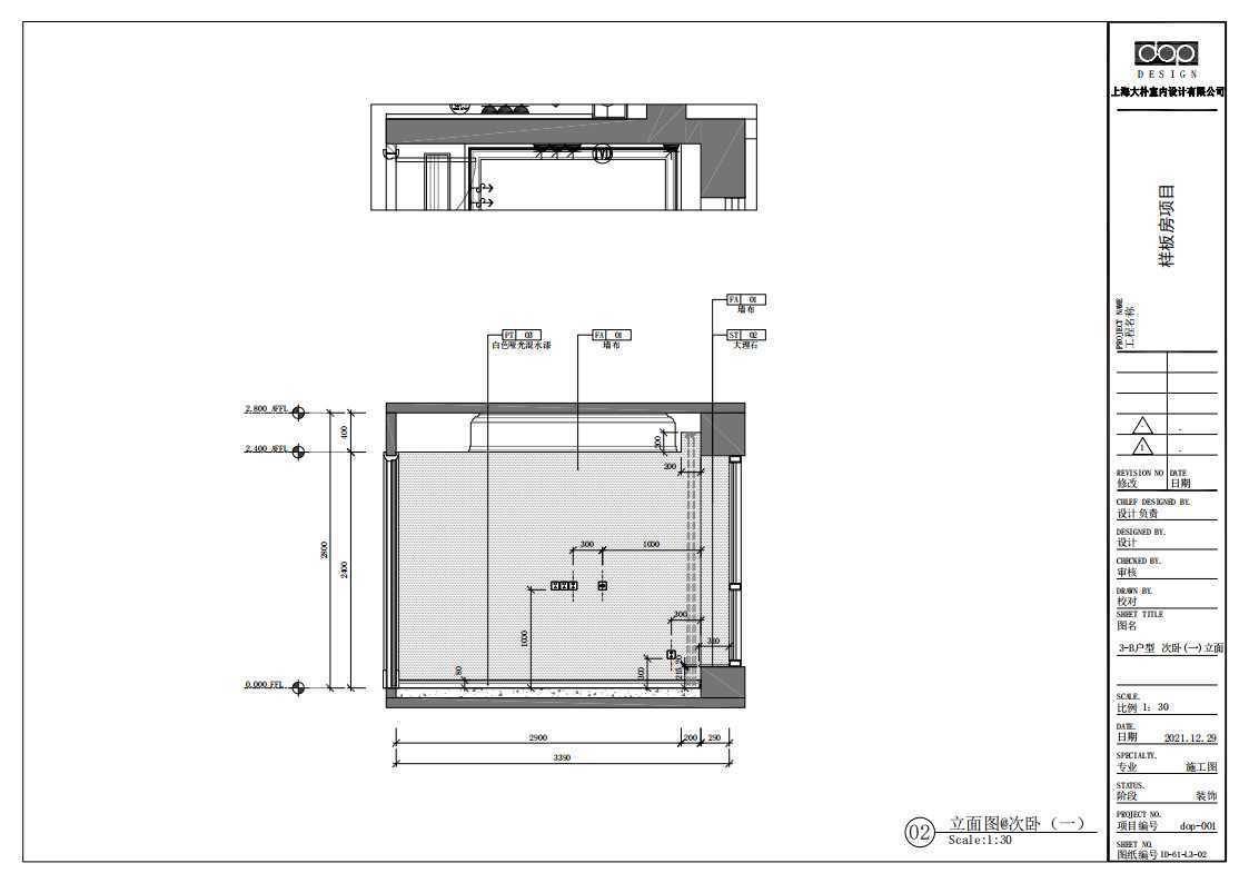
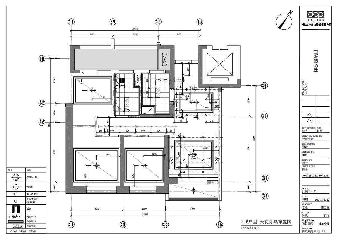
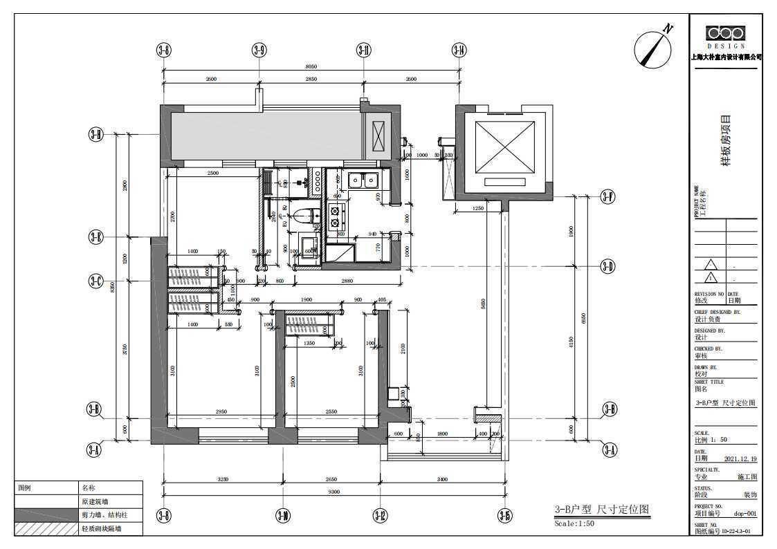
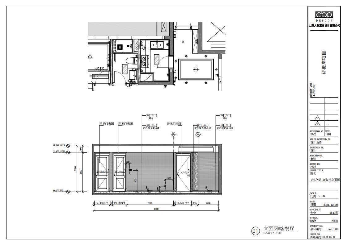
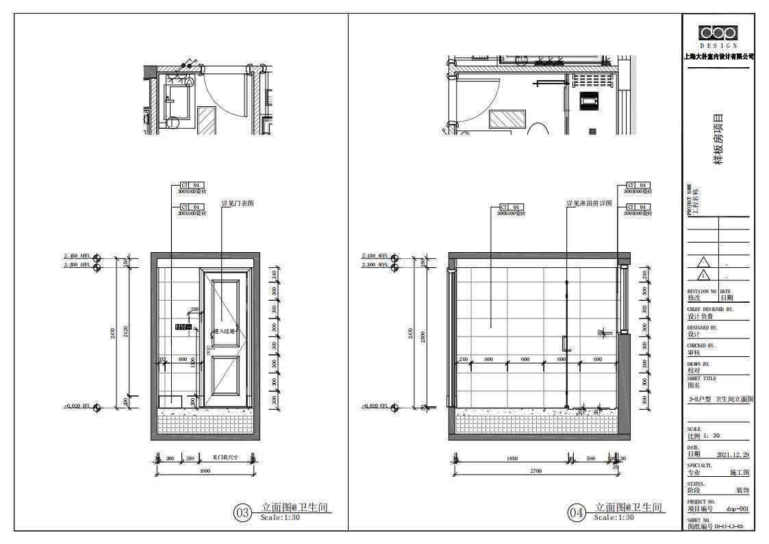
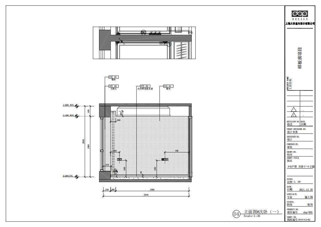
dop施工图内训营初阶班【赵月翔】的作业
发布于2022-09-23
浏览
45
点赞
0
评论
0
收藏
0
评论 (0)
0/9
发布
暂无评论,快来留下一条吧~
dop小助手
Ta 很懒,还没有写简介
1.7k
人气
0
帖子
0
资料
8
图文