设计课程
训练营
设计文章
设计工具
图纸代画
社区
更多
设计文章
其他图文
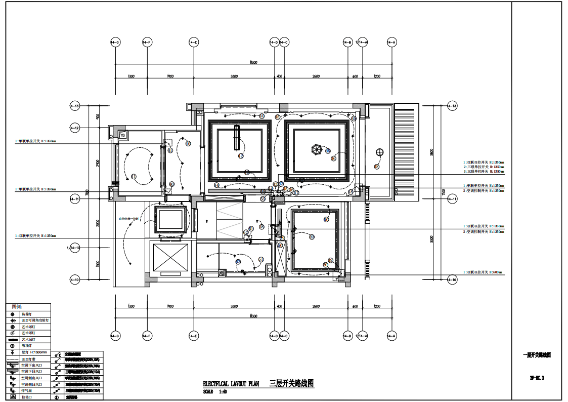
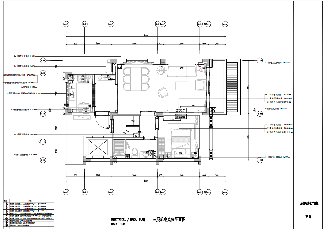
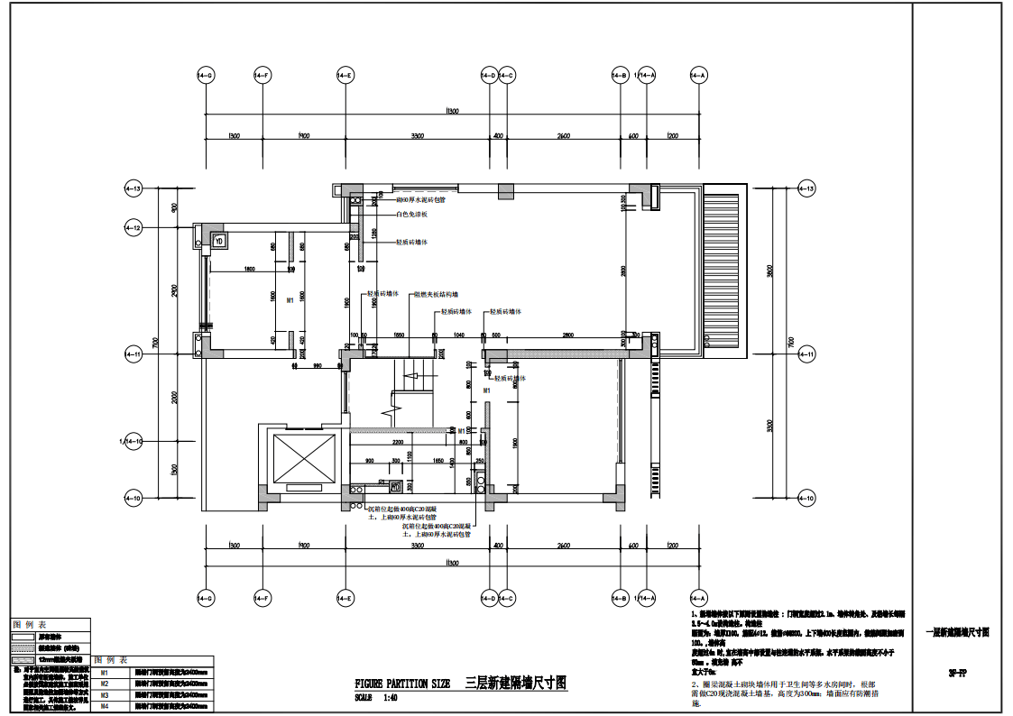
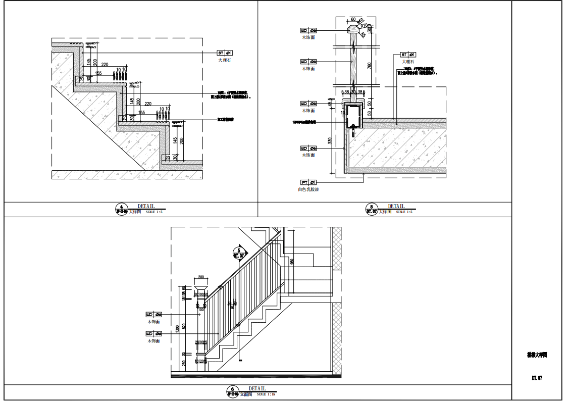
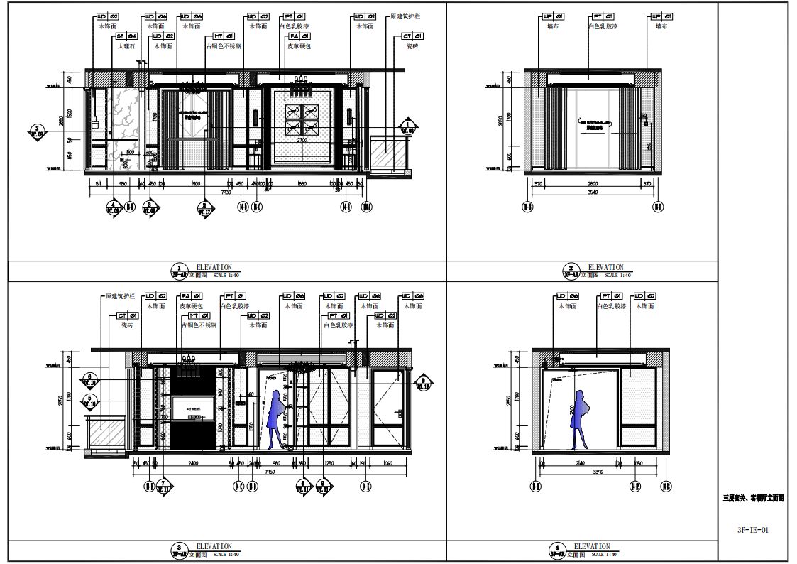
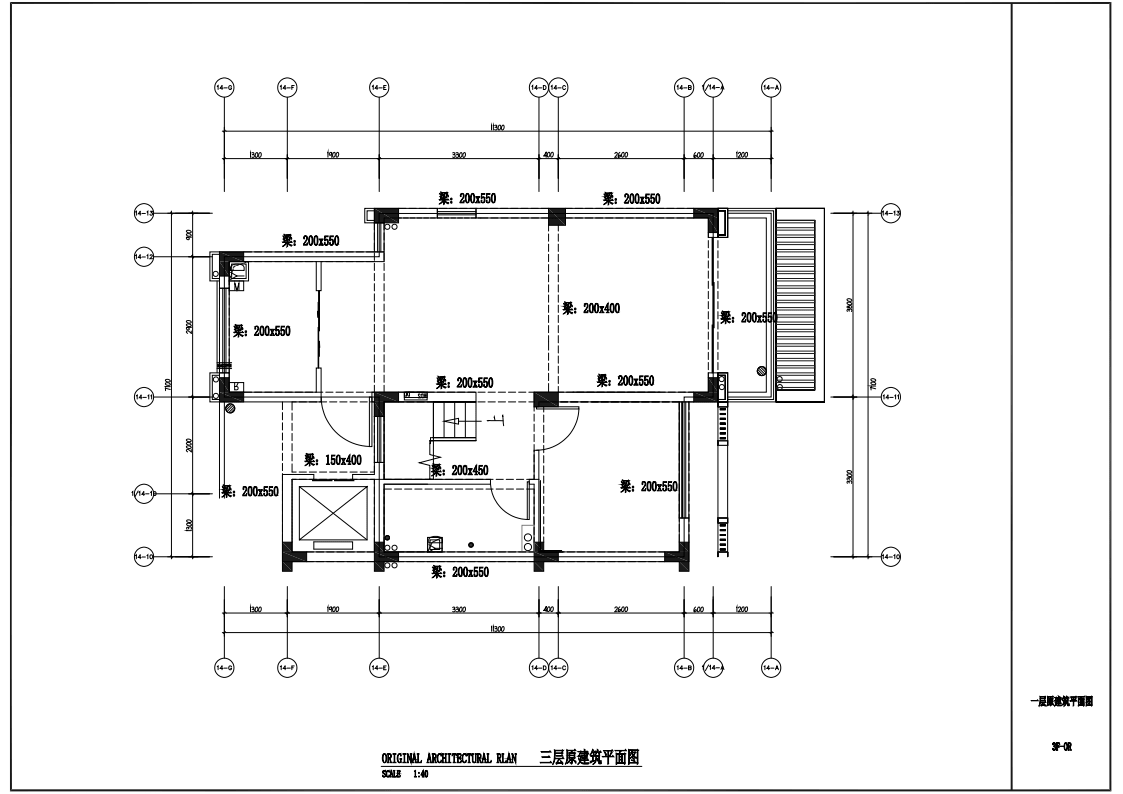
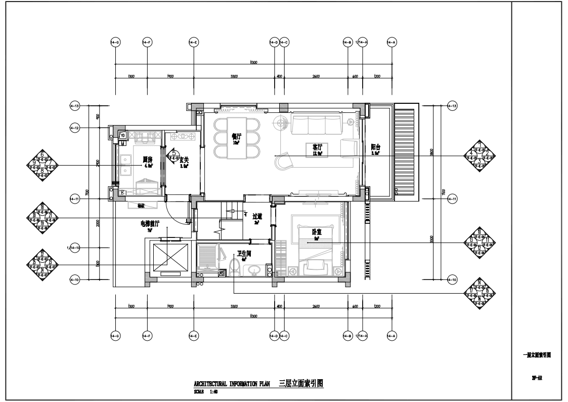
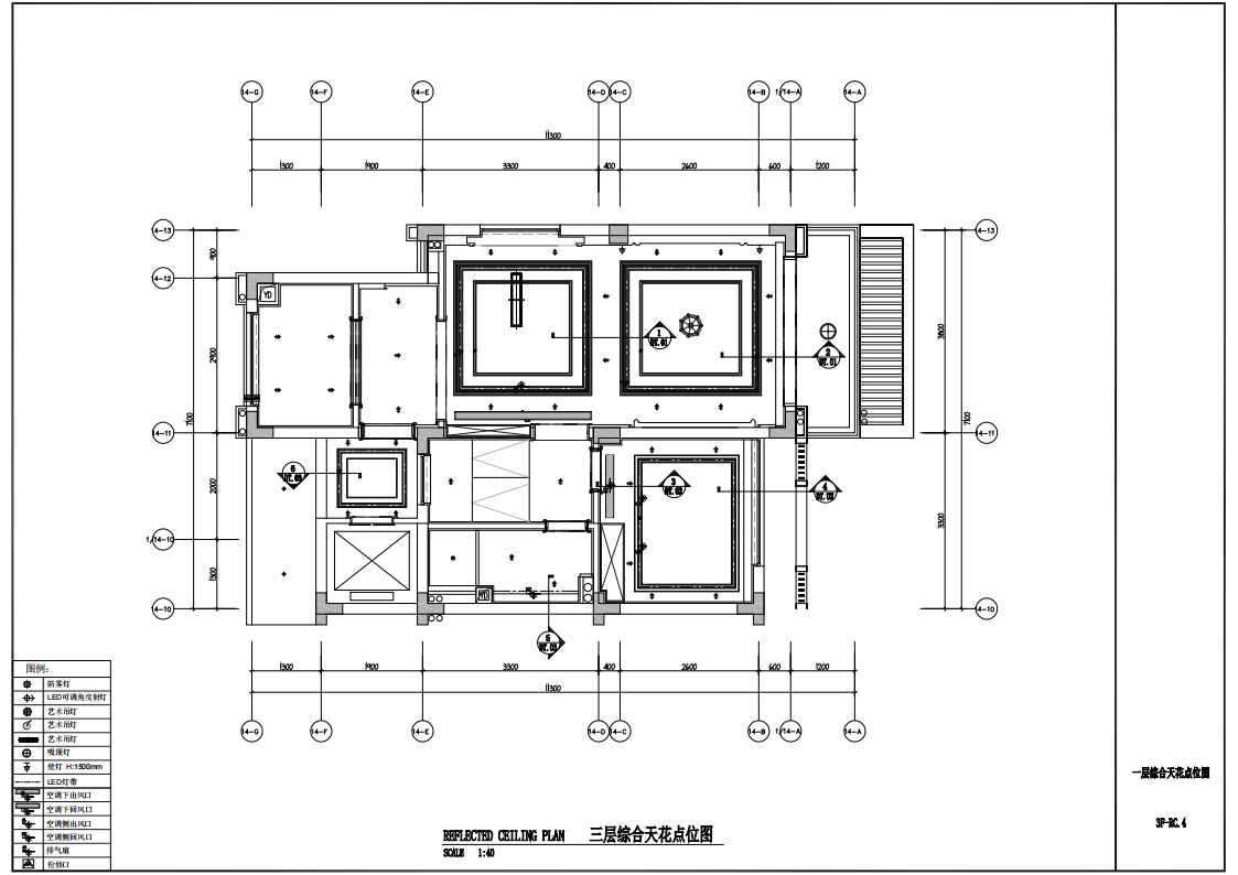
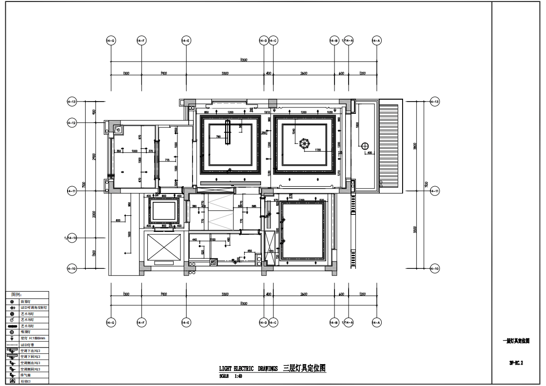
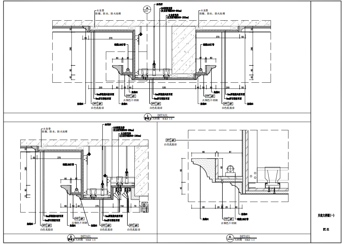
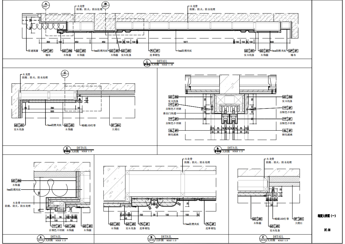
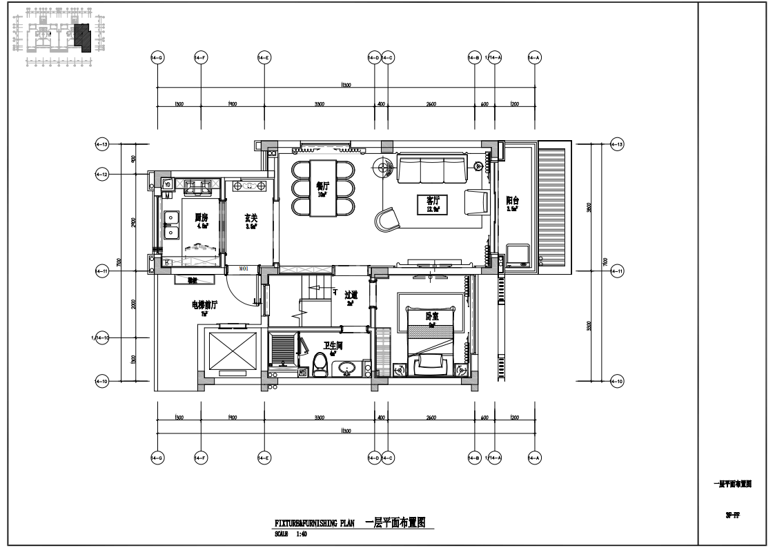
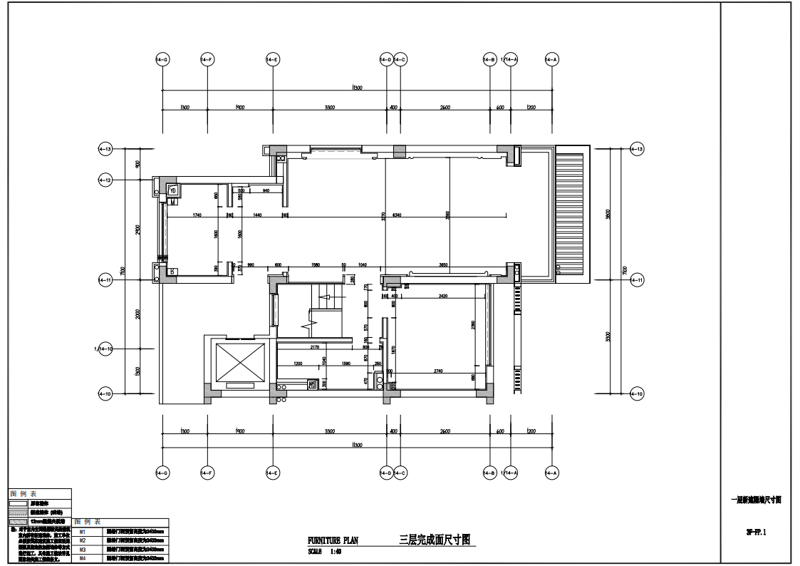
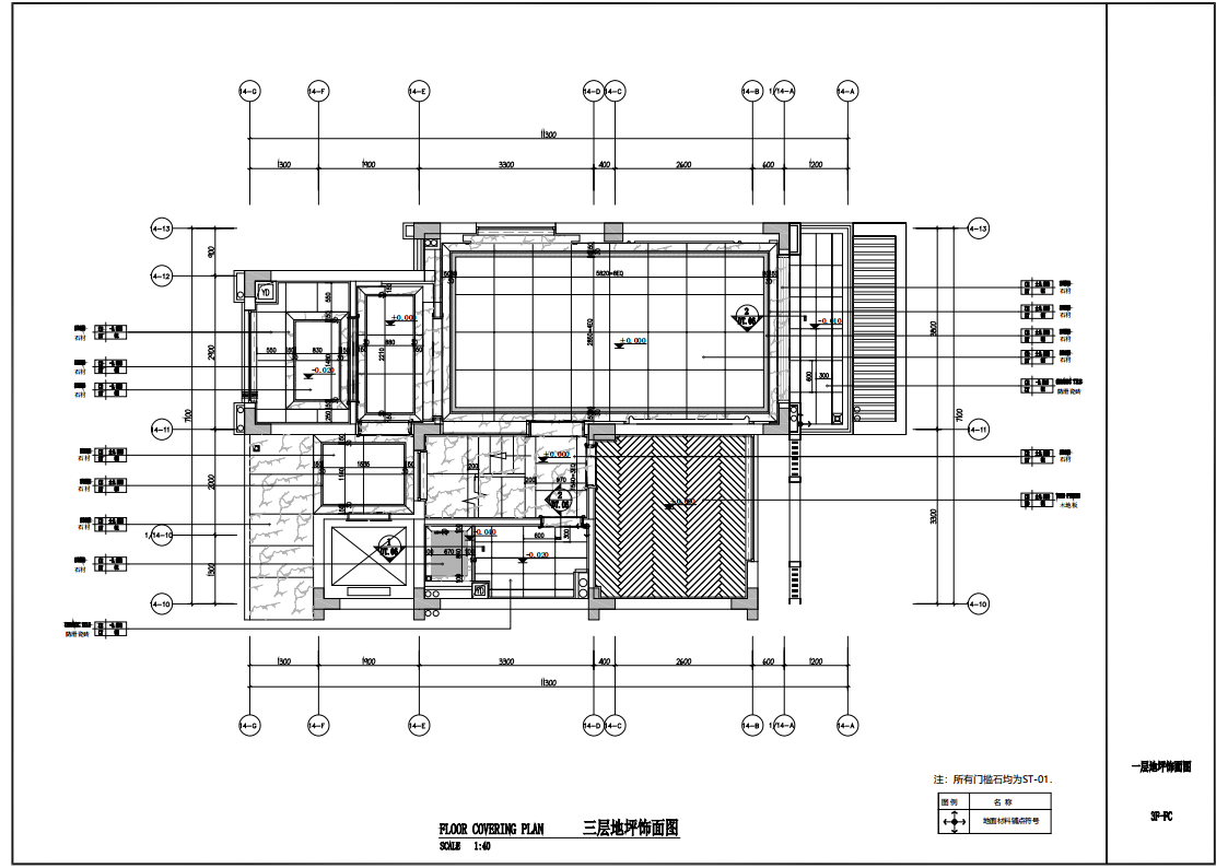
dop设计深化内训营【茶十二】的作业
发布于2022-09-13
浏览
221
点赞
0
评论
0
收藏
0
评论 (0)
0/9
发布
暂无评论,快来留下一条吧~
dop小助手
Ta 很懒,还没有写简介
1.5k
人气
0
帖子
0
资料
8
图文